Gervais, Un expert de la quincaillerie et de l'industrie
1Livraison 24/48h dans toute la France
Bénéficiez des frais de port offerts pour toute commande supérieure à 29€ ht. Bénéficiez des frais de port offerts pour toute commande supérieure à 29€ ht.

Identifiez-vous pour accéder à votre espace personnalisé

Créer un compte

Roue de portail coulissant à gorge ronde

caujolle.jpg
Image
Filtrer
Diamètre en mm
  • 60
  • 80
Sélectionner une référence
  • 0260001
  • 0260002
Référence : 0260001
Prix net
12,26€ HT / unité
14,71€ TTC
Conditionnement A l'unité
Qté
En stock
acheter maintenant

Description du produit

Galet pour portail en acier étroit à gorge ronde.  

Ce galet de gorge ronde est prévu pour un rail rond. 

Cet accessoire pour portail coulissant contient un moyeu simple sur roulement à billes. Très facile à poser, avec un montage rapide, il est vendu avec ses accessoires de quincaillerie (boulon et écrou de fixation).

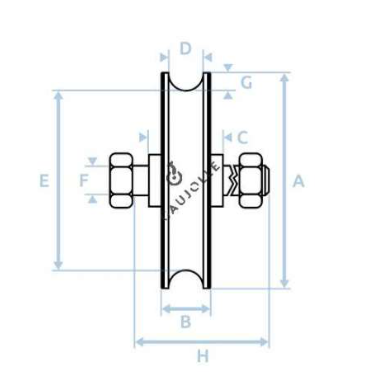
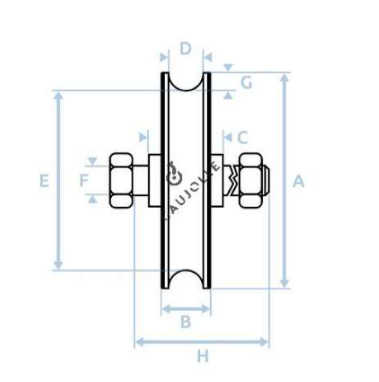
Les dimensions de cette roue sont les suivantes (voir plan dans les photos):

GAGR60                      GAGR80

A: 60 mm         /        80 mm

B: 17 mm        /          20 mm

C: 23 mm        /          34 mm

D: 10 mm        /          17 mm

E: 50 mm        /          64 mm

F: 10 mm        /          12 mm

G: 5 mm         /           8 mm

H: 45 mm       /           60 mm

Caractéristiques techniques :

Diamètre de la roue en mm 60 80
Capacité de charge en Kg 250 300
Matière du bandage Acier Acier
Type de roulement Roulement à billes Roulement à billes
Alésage 10 12
Type de profil Rond Rond

Commandez vos références :